
搪玻璃储罐(也称计量罐),是一种存放酸、醇、气体等危险品原料的搪玻璃设备,分为卧式搪玻璃储罐、立式开式搪玻璃储罐(即K型搪玻璃储罐)、立式闭式搪玻璃贮罐(即F型搪玻璃储罐),用作抽真空,可配置夹套对相应原料进行加热、保温,用途于石油、化工、粮油、食品、消防、交通、冶金、国防等行业。
特点:
1、表面光滑,易于清洗和保养。不易附着物质,易于清洗。
2、质地坚硬,抗压性能好,不易碎裂。可以承受较大的压力。
3、防止外部气体、水分、微生物等对罐内贮存物质的污染和影响。搪玻璃储罐的密封性较好,可以有效防止外部气体、水分、微生物等对罐内贮存物质的污染和影响。
属性名称 | 参数值 |
材质 | 碳钢内搪玻璃 |
设计压力(Mpa) | 0.4/0.6/1.0 |
设计温度(℃) | -19~200 |
搪瓷厚度(mm) | 0.8~2.0 |

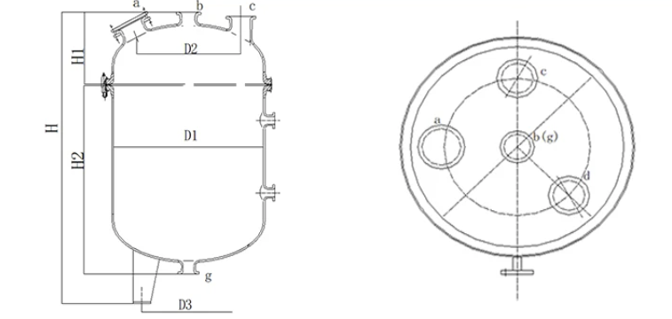
公称容积 | 实际容积 | 主要尺寸 | 罐卡规格/数量 | 重量 | ||||||
D | D1 | D2 | H | H1 | H2 | PN0.25 Mpa | PN0.6 | |||
| K200 | 240 | 600 | 360 | 420 | 1615 | 300 | 965 | BM12/28 | AM12/36 | 236 |
| K300 | 360 | 700 | 420 | 490 | 1745 | 345 | 1070 | BM12/36 | AM16/32 | 408 |
| K500 | 600 | 800 | 480 | 560 | 2130 | 380 | 1370 | BM12/40 | AM16/36 | 544 |
| K1000 | 1200 | 1000 | 600 | 700 | 2350 | 430 | 1770 | BM16/40 | AM16/44 | 915 |
| K2000 | 2400 | 1300 | 780 | 910 | 2610 | 505 | 1970 | BM16/56 | AM20/52 | 1400 |
| 公称容积 | 管口公称直径 DN | |||||
| a | b | c | d | g | h | |
| K200 | 125 | 70 | 70 | 70 | 70 | - |
| K300 | 125 | 80 | 70 | 70 | 80 | - |
| K500 | 150 | 80 | 80 | 70 | 80 | - |
| K1000 | 150 | 80 | 80 | 80 | 80 | - |
| K2000 | 400×300 | 100 | 80 | 80 | 100 | 80 |
搪玻璃储罐产品规格
卧式搪玻璃储罐标准型号:3000L\4000L\5000L\6300L\8000L\10000L\12500L\16000L\20000L\25000L\30000L\40000L\50000L
F型搪玻璃储罐标准型号:3000L\5000L\6300L\8000L\10000L\12500L\16000L\20000L\30000L\50000L
K型搪玻璃储罐标准型号:200L\300L\500L\1000L\2000L
也可根据客户需求非标定制
搪玻璃储罐细节展示



