
闭式搪玻璃反应釜是将富含二氧化硅的玻璃,衬在钢制容器的内表面,经高温灼烧而牢固地密着于金属表面上成为复合材料制品。所以它具有玻璃的稳定性和金属强度的双重优点,是一种优良的耐腐蚀设备。闭式反应釜为体盖一体,密封性能要好,同时受到安装尺寸的限制,相同容积的闭式搪玻璃反应釜中的搅拌桨不如开式反应釜中的搅拌桨大。
产品优势:
● 用于中小型和大规模的化工和制药生产。
● 罐盖与罐体不能分开,适合用于釜内压力较高的环境,能避免或减少泄露。
● 反应釜表面除锈后,喷涂环保水性漆,使产品更加美观、环保。
● 符合ASTM、ASME、CE、CN标准
● 可根据客户要求设计和定制各种非标容量。

属性名称 | 罐内 | 夹套 |
材质 | 碳钢内搪玻璃 | 碳钢 |
设计压力(Mpa) | -0.1/0.6 | 0/0.6 |
设计温度(℃) | -19~200 | -19~200 |
工作温度(℃) | -19~200 | |
| 瓷层厚度(mm) | 0.8~2.0 | |
高电压实验(Kv) | 20 | |
| 冷热冲击(℃) | 冷冲击110,热冲击120 | |

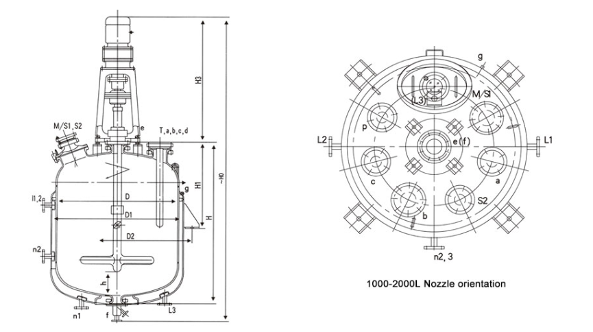
公称容积 | 实际容积 | 传热面积 | 电动机 | 主要尺寸(mm) | 重量 | ||||||||
D | D1 | D2 | D3 | H | H1 | H2 | H3 | H0 | |||||
| F1000 | 1520 | 4.93 | 3 | 1200 | 1300 | 1488 | - | 1610 | 850 | - | 1154 | 3200 | 1837 |
| F1500 | 1961 | 5.35 | 4 | 1300 | 1450 | 1622 | - | 1770 | 870 | - | 1276 | 3486 | 2090 |
| F2000 | 2180 | 7.16 | 4 | 1300 | 1450 | 1622 | - | 2190 | 940 | - | 1276 | 3907 | 2603 |
公称容积 | 管口公称直径 DN | ||||||||||||||
人孔 | 灯控 | 压力表口 | 温度计套管口 T | 备用孔 | 备用孔 | 备用孔 | 备用孔 | 放料口 | 蒸汽进口 | 凝水出口 | 液体进口 | 液体进口 | 液体进口 | 放气口 | |
| F1000 | 300×400 | 100 | 100 | 100 | 100 | 125 | 100 | 125 | 100 | 32 | 32 | - | - | - | G3/4" |
| F1500 | 300×400 | 125 | 125 | 100 | 100 | 125 | 100 | 125 | 100 | 40 | 40 | 50 | - | - | G3/4" |
| F2000 | 300×400 | 125 | 125 | 150 | 100 | 125 | 100 | 125 | 100 | 40 | 40 | 50 | - | - | G3/4" |
搪玻璃反应釜产品规格
开式搪玻璃反应釜(K型)标准型号:50L\100L\200L\300L\500L\1000L\1500L\2000L\3000L\4000L\5000L\6300L\8000L\10000L\12500L
闭式搪玻璃反应釜(F型)标准型号:1000L\1500L\2000L\2500L\3000L\5000L\6300L\8000L\10000L\12500L\16000L\20000L\30000L
也可根据客户需求非标定制
搪玻璃反应釜细节展示


应用案例


